
Miniature Bearings Australia
SPF12SRS - Datasheet
ENQUIRE
Category Information
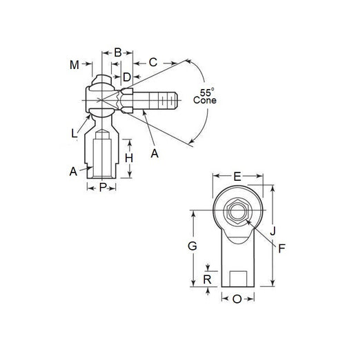
Rod Ends - Female - Steel - Studded - Nylon SeatNylon Seat Studded Steel Female Rod Ends. Housing is plated and dichromate treated steel.
- An expanded range may be available on special order. Please enquire.
- Ball is case hardened and plated
- Stud is permanently affixed and made from heat treated alloy steel, zinc plated.
Product Data
- Thread Size : 3/4-16 UNF (19.05mm) Right Hand
- Thread Length (H)
39.68
mm
(Equiv. 1.562 in.) - Thread Length (C)
46.03
mm
(Equiv. 1.812 in.) - Head Diameter (E) 44.45 mm
- Centre Height (G) 73.03 mm
- Top Width (M) 17.45 mm
- Ball Width (L) 22.23 mm
- Base Width 28.58 mm
- Base Length (P) 25.40 mm
Product Compliance and Data
Additional Resources
Cross References
- Reid Tool® SPF-12S
- SPF12S


