
Miniature Bearings Australia
REF-300-R-PP-N - Datasheet
Iglidur
Category Information
Rod Ends - Female - PlasticPlastic Female Rod Ends. Thermoplastic Body / L280(R) Polymer Ball. Also known as Heim Joints
- An expanded range may be available on special order. Please enquire.
- Dimensions not shown are available on request.
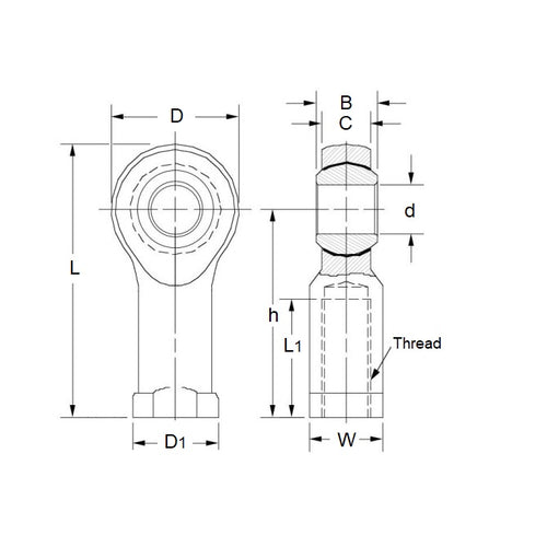
Product Data
- Eye Size (d1)
:
30.000
mm
+0.040 / +0.124
(Equiv. 1.181 in.) - Overall Length (L)
146.50
mm
(Equiv. 5.768 in.) - Thread Size M30x3.5 Right
- Thread Length (l2) 47.00 mm
- Head Width (W) 22.00 mm
- Eye Width (W1) 19.00 mm
- Head Diameter (D1) 73.00 mm
- Centre Height (l1) 110.00 mm
- Grease Nipple No
- Max Angle of Pivot 13 °
- Max Torque Strength 70.00 n.m
- Body Width/Flange Width(W2/D3) 41.00 / 48.00 mm
Product Compliance and Data
Additional Resources
Cross References
- Igus EBRM-30
- EBRM30


