
Miniature Bearings Australia
REF-254-L-PP-B - Datasheet
Iglidur
Category Information
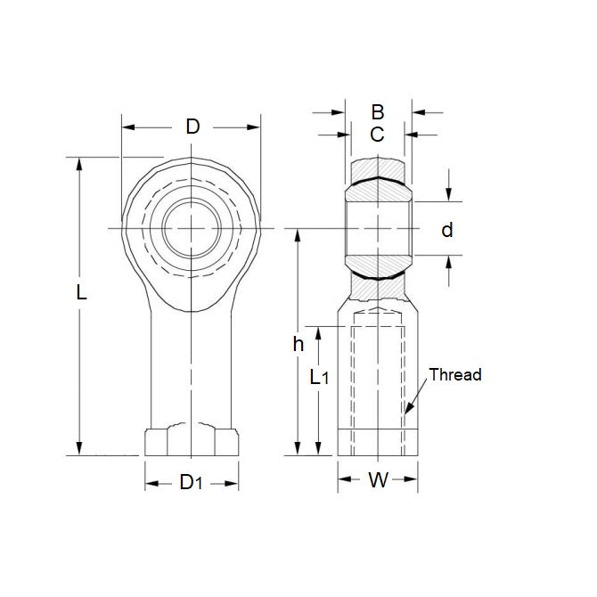
Rod Ends - Female - PlasticPlastic Female Rod Ends. Thermoplastic Body / L280(R) Polymer Ball. Also known as Heim Joints
- An expanded range may be available on special order. Please enquire.
- Dimensions not shown are available on request.
Product Data
- Eye Size (d1)
:
25.400
mm
+0.040 / +0.124
(Equiv. 1 in.) - Overall Length (L)
139.70
mm
(Equiv. 5.5 in.) - Thread Size 1-12 UNF Left
- Thread Length (l2) 53.98 mm
- Head Width (W) 34.93 mm
- Eye Width (W1) 25.53 mm
- Head Diameter (D1) 69.85 mm
- Centre Height (l1) 104.78 mm
- Grease Nipple No
- Max Angle of Pivot 20 °
- Max Torque Strength 46.00 n.m
- Body Width/Flange Width(W2/D3) 41.28 / 53.98 mm
Product Compliance and Data
Additional Resources
Cross References
- Igus KBLI-16
- KBLI16


