
Miniature Bearings Australia
REF-020-L-PP - Datasheet
Iglidur
Category Information
Rod Ends - Female - PlasticPlastic Female Rod Ends. Thermoplastic Body / L280(R) Polymer Ball. Also known as Heim Joints
- An expanded range may be available on special order. Please enquire.
- Dimensions not shown are available on request.
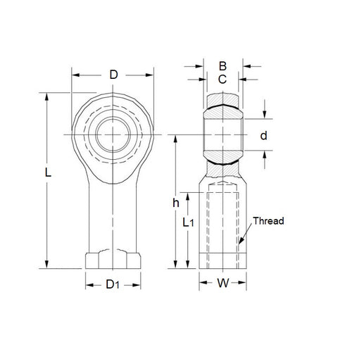
Product Data
- Eye Size (d1)
:
2.000
mm
+0.014 / +0.054
(Equiv. 0.079 in.) - Overall Length (L)
17.00
mm
(Equiv. 0.669 in.) - Thread Size M2x0.4 Left
- Thread Length (l2) 6.00 mm
- Head Width (W) 3.00 mm
- Eye Width (W1) 4.00 mm
- Head Diameter (D1) 9.00 mm
- Centre Height (l1) 12.50 mm
- Grease Nipple No
- Max Angle of Pivot 30 °
- Max Torque Strength 1.00 n.m
- Body Width/Flange Width(W2/D3) 4.00 / 4.60 mm
Product Compliance and Data
Additional Resources
Cross References
- Igus KBLM-02
- KBLM02


