
Miniature Bearings Australia
REF-170-L-PP-160 - Datasheet
Iglidur
Category Information
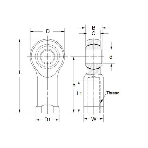
Rod Ends - Female - PlasticPlastic Female Rod Ends. Thermoplastic Body / L280(R) Polymer Ball. Also known as Heim Joints
- An expanded range may be available on special order. Please enquire.
- Dimensions not shown are available on request.
Product Data
- Eye Size (d1)
:
17.000
mm
+0.032 / +0.102
(Equiv. 0.669 in.) - Overall Length (L)
90.00
mm
(Equiv. 3.543 in.) - Thread Size M16x2 Left
- Thread Length (l2) 27.00 mm
- Head Width (W) 14.00 mm
- Eye Width (W1) 11.00 mm
- Head Diameter (D1) 46.00 mm
- Centre Height (l1) 67.00 mm
- Grease Nipple No
- Max Angle of Pivot 21 °
- Max Torque Strength 35.00 n.m
- Body Width/Flange Width(W2/D3) 24.00 / 30.00 mm
Product Compliance and Data
Additional Resources
Cross References
- Igus EBLM-17
- EBLM17


