
Miniature Bearings Australia
RT-060-0600-120-190-H - Datasheet
MBA
Category Information
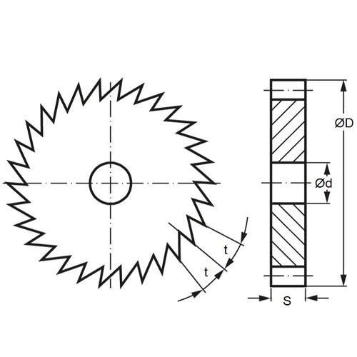
Ratchets and Pawls - Ratchets - Without HubWithout Hub Ratchets Ratchets and Pawls. Match with pawls listed on this site.
- An expanded range may be available on special order. Please enquire.
Product Data
- Pitch : 3.142 CP
- Teeth (No.) 60
- Outside Diameter
60
mm
(Equiv. 2.362 in.) - Bore 19 mm
- Face Width 12 mm
- Total Width 12 mm
- Additional Info 6.0x2.8 Keway
- Material Black Oxide Steel
Product Compliance and Data
Additional Resources
Cross References
- SRT160J19


