
Miniature Bearings Australia
RT-050-0500-120-170-H - Datasheet
MBA
Category Information
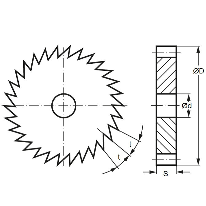
Ratchets and Pawls - Ratchets - Without HubWithout Hub Ratchets Ratchets and Pawls. Match with pawls listed on this site.
- An expanded range may be available on special order. Please enquire.
Product Data
- Pitch : 3.142 CP
- Teeth (No.) 50
- Outside Diameter
50
mm
(Equiv. 1.969 in.) - Bore 17 mm
- Face Width 12 mm
- Total Width 12 mm
- Additional Info 5.0x2.3 Keway
- Material Black Oxide Steel
Product Compliance and Data
Additional Resources
Cross References
- SRT150J17


