
Miniature Bearings Australia
RT-050-1500-200-400-H - Datasheet
MBA
Category Information
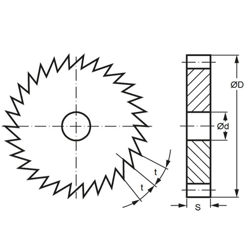
Ratchets and Pawls - Ratchets - Without HubWithout Hub Ratchets Ratchets and Pawls. Match with pawls listed on this site.
- An expanded range may be available on special order. Please enquire.
Product Data
- Pitch : 9.42 CP
- Teeth (No.) 50.000
- Outside Diameter
150
mm
(Equiv. 5.906 in.) - Bore 40 mm
- Face Width 20 mm
- Total Width 12.00 mm
- Additional Info 12.0x3.3 Keway
- Material Black Oxide Steel
Product Compliance and Data
Additional Resources
Cross References
- SRT350J40


