
Miniature Bearings Australia
RT-050-1000-150-160-H - Datasheet
MBA
Category Information
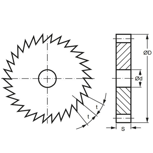
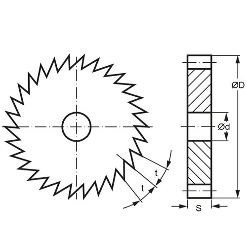
Ratchets and Pawls - Ratchets - Without HubWithout Hub Ratchets Ratchets and Pawls. Match with pawls listed on this site.
- An expanded range may be available on special order. Please enquire.
Product Data
- Pitch : 6.28 CP
- Teeth (No.) 50.000
- Outside Diameter
100
mm
(Equiv. 3.937 in.) - Bore 16 mm
- Face Width 15 mm
- Total Width 12 mm
- Additional Info 5.0x2.3 Keway
- Material Black Oxide Steel
Product Compliance and Data
Additional Resources
Cross References
- SRT250J16


