
Miniature Bearings Australia
RT-030-1200-250-220-H - Datasheet
MBA
Category Information
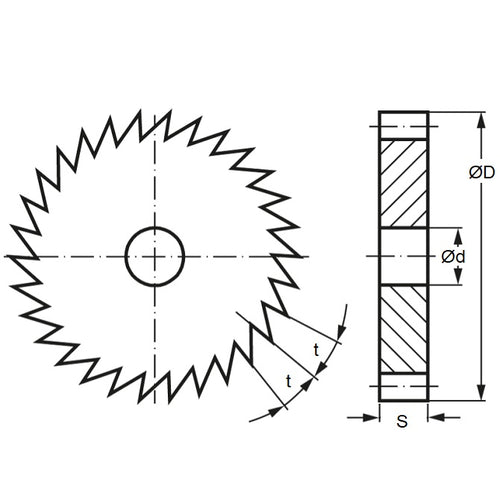
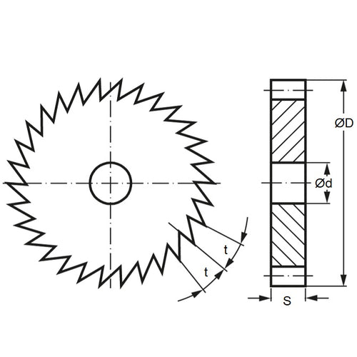
Ratchets and Pawls - Ratchets - Without HubWithout Hub Ratchets Ratchets and Pawls. Match with pawls listed on this site.
- An expanded range may be available on special order. Please enquire.
Product Data
- Pitch : 12.57 CP
- Teeth (No.) 30
- Outside Diameter
120
mm
(Equiv. 4.724 in.) - Bore 22 mm
- Face Width 25 mm
- Total Width 12 mm
- Additional Info 6.0x2.8 Keway
- Material Black Oxide Steel
Product Compliance and Data
Additional Resources
Cross References
- SRT430J22


