
Miniature Bearings Australia
CLP-191-0448-CZ - Datasheet
MBA
Category Information
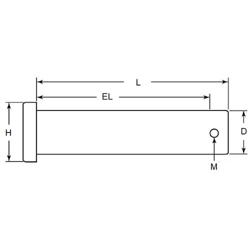
Pins - Clevis - Pin Locking - Zinc PlatedZinc Plated Pin Locking Clevis Pins. Match with a suitable R-Clip or Spilt Pin - pin size shown in listings
- In addition to retaining parts on a shaft or axle, clevis pins can also be used as light duty axles, spring holders or even fishing line weights.
- Sinc plated low carbon steel
Product Data
- Nominal Pin Diameter (D)
:
19.05
mm
- 0.10 / - 0.28
(Equiv. 0.75 in.) - Grip Length (EL)
44.84
mm
+ 0.51 / - 0.00
(Equiv. 1.765 in.) - Nom. Length (L)
50.80
mm
+ 0.51 / - 0.00
(Equiv. 2 in.) - Ret. Pin Dia. (M) 3.8 mm
- Suitable R-Clip RCL-038-075-Z
- Material Zinc Plated Low Carbon Steel
Product Compliance and Data
Additional Resources
Cross References
- 97245A472
- NoCor CLP-0750-2000
- NoCor CLPZ-0750-2000
- CLP07502000
- CLP1910448Z
- CLPZ07502000



