
Miniature Bearings Australia
CLP-159-0702-S4 - Datasheet
MBA
Category Information
Pins - Clevis - Pin Locking - Stainless Steel 300 GradeStainless Steel 300 Grade Pin Locking Clevis Pins. Match with a suitable R-Clip or Spilt Pin - pin size shown in listings
- Non-threaded fastener with a head on one end and a hole/groove on the other, used to connect two or more parts in a way that allows for rotation, similar to a bolt, by passing through aligned holes.
- A retaining pin, such as a cotter pin, E-clip or R-clip, is inserted into the hole/groove at the end to keep the clevis pin secured in place.
- In addition to retaining parts on a shaft or axle, clevis pins can also be used as light duty axles, spring holders or even fishing line weights.
Product Data
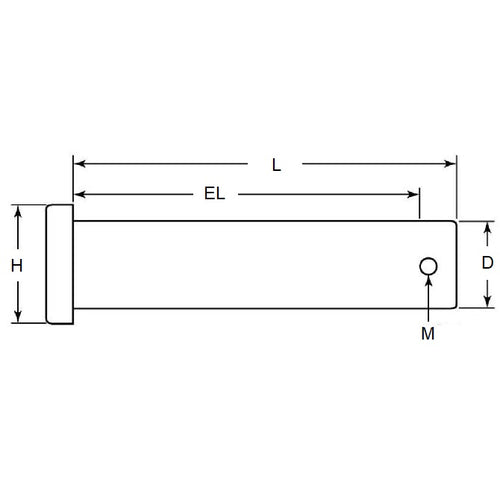
- Nominal Pin Diameter (D)
:
15.88
mm
- 0.10 / - 0.23
(Equiv. 0.625 in.) - Grip Length (EL)
70.24
mm
+ 0.51 / - 0.00
(Equiv. 2.765 in.) - Nom. Length (L)
76.20
mm
+ 0.51 / - 0.00
(Equiv. 3 in.) - Ret. Pin Dia. (M) 3.8 mm
- Suitable R-Clip RCL-038-075-S4
- Material Stainless Steel 300 Series
Product Compliance and Data
Additional Resources
Cross References
- 92390A506
- NoCor CLPS-0625-3000
- CLPS06253000


