
Miniature Bearings Australia
KM16 - Datasheet
MBA
Category Information
Nuts - Bearing Locknuts - Right Hand Thread - Standard AN-KM SeriesStandard AN-KM Series Right Hand Thread Bearing Locknuts Nuts. This is the main category in this series
Product Data
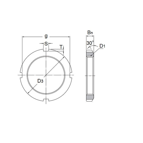
- Shaft Thread Diameter : M80
- Outside Dia (OD)
105
mm
(Equiv. 4.134 in.) - Thickness (T) min / max
15
mm
(Equiv. 0.591 in.) - Material Steel
Product Compliance and Data
Additional Resources
Cross References
- NoCor KM-16
- KM16


