
Miniature Bearings Australia
KM080M-058-8L10 - Datasheet
MBA
Category Information
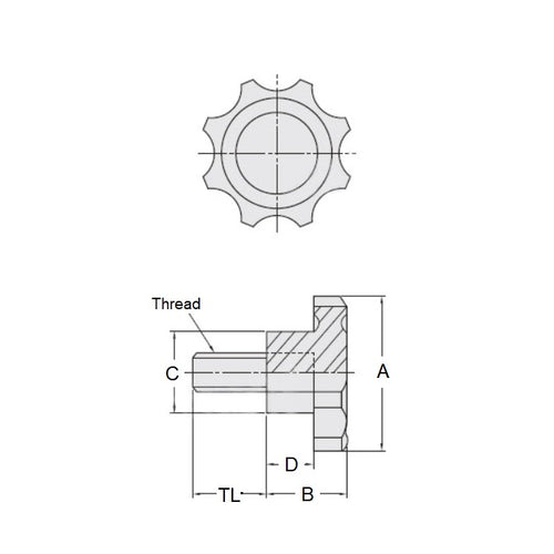
Knobs - Lobe - Eight Lobe - MaleMale Eight Lobe Lobe Knobs. Also see star knobs
- An expanded range may be available on special order. Please enquire.
Product Data
- Thread Size : M8 (8x1.25mm)
- Head Diameter (A) 
58
mm
 (Equiv. 2.283 in.)
- Thread Length 
10
mm
 (Equiv. 0.394 in.)
- Colour Black
- Hub Diameter © 27.00 mm
- Hub Length (D) 18.000 mm
- Knob Height (B) 34.00 mm
- Material Phenolic and Steel
Product Compliance and Data
Additional Resources
Cross References
- Misumi C-NLJM8-10
- CNLJM810
 
 
 


