
Miniature Bearings Australia
MLM-080M-060-CZRP - Datasheet
MBA
Category Information
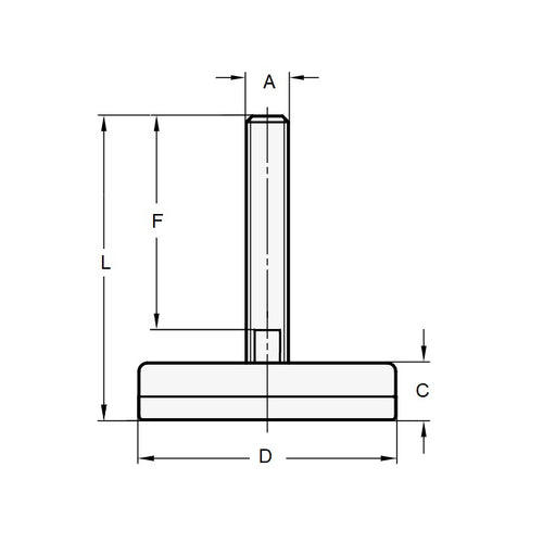
Mounts - Levelling Studded - Swivel - Black Chromate - Rubber PaddedRubber Padded Black Chromate Swivel Levelling Studded Mounts. Levelling adjusters. 15o swivel off centreline to adjust to uneven surfaces and level machine tools, electronic racks and benches.
- An expanded range may be available on special order. Please enquire.
Product Data
- Thread Size (A) : M8 (8x1.25mm)
- Base Diameter (D)
40.00
mm
(Equiv. 1.575 in.) - Foot Height (C)
22.50
mm
(Equiv. 0.886 in.) - Thread Length (F) 60.00 mm
- Base Height (E) 17.00 mm
- Overall Height 82.5 mm
- Load Rating 350 Kg
- Finish Zinc Plated
- Pad Material Rubber
- Hex Flats (B) 13.00 mm
- Material Steel
Product Compliance and Data
Additional Resources
Cross References
- Misumi C-CFJSN8-60
- CCFJSN860


