
Miniature Bearings Australia
KM080M-032-5L15 - Datasheet
MBA
Category Information
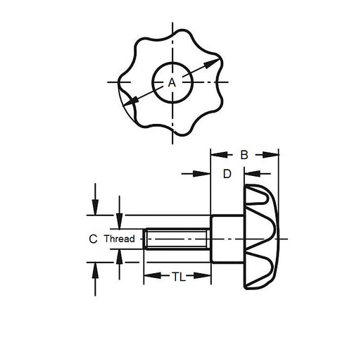
Knobs - Lobe - Seven Lobe - Male - StandardStandard Male Seven Lobe Lobe Knobs. Also see star knobs
- An expanded range may be available on special order. Please enquire.
Product Data
- Thread Size : M8 (8x1.25mm)
- Head Diameter (A) 
32
mm
 (Equiv. 1.26 in.)
- Thread Length 
15
mm
 (Equiv. 0.591 in.)
- Colour Black
- Hub Diameter (C) 18.00 mm
- Hub Length (D) 13.000 mm
- Knob Height (B) 26.00 mm
- Material Steel
Product Compliance and Data
Additional Resources
Cross References
- Misumi C-NLZTM8-15
- CNLZTM815
 
 
 


