
Miniature Bearings Australia
SHX-TP-0800-14-150-MZ - Datasheet
MBA
Product Data
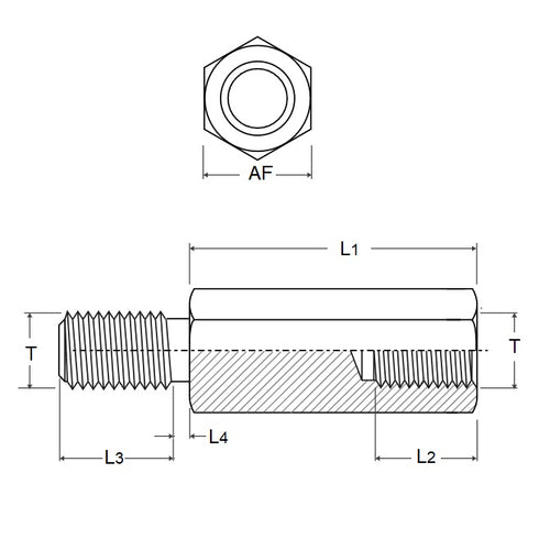
- Thread Size : M8 (8x1.25mm)
- Stud Length (L3)
12.000
mm
(Equiv. 0.472 in.) - Base Length (L1)
150
mm
(Equiv. 5.906 in.) - Across Flats (A/F) 14.00 mm
- Bore Thread Length (L2) 16.00 mm
- Finish Nickel Electroplating
- Material Steel - Mild
Product Compliance and Data
Additional Resources
Cross References
- Misumi C-PLSBWRK14-150
- CPLSBWRK14150



