
Miniature Bearings Australia
NT060M-BL-CZ - Datasheet
MBA
Category Information
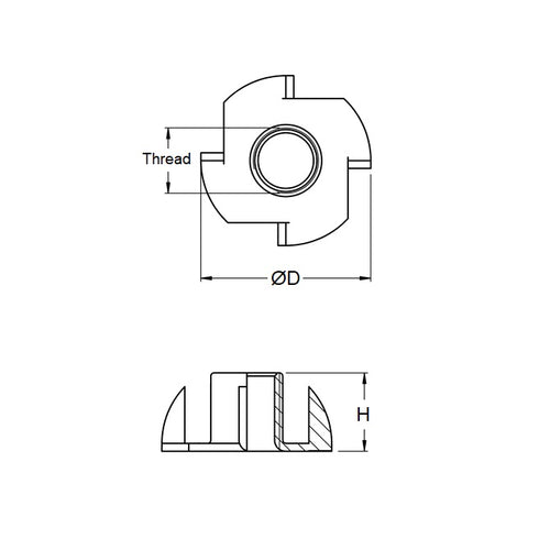
Nuts - Blind - StandardStandard Blind Nuts. Blind nuts - Tee nuts.
- Put steel threads in soft materials like wood without counterboring.
Product Data
Deleted Item. Available while stocks last.
Please contact us first if you wish to use this item in a new design so we can check whether production can be resumed.
- Thread Size : M6 (6x1mm)
- Flange Diameter
19
mm
(Equiv. 0.748 in.) - Barrel Height
6.2
mm
(Equiv. 0.244 in.) - Type Tee Nut
- Pitch 1.000 mm
- Threads Per Inch 25.4 TPI
- Material Steel Zinc Plated
Product Compliance and Data
Additional Resources
Cross References
- 98965A310
- MicroFast® BNM6


