
Miniature Bearings Australia
THS060M-013-K-3 - Datasheet
MBA
Category Information
Screws - Thumb - Knurled - Stainless - StandardStandard Stainless Knurled Thumb Screws. Stainless steel knurled head thumb screws
- An expanded range may be available on special order. Please enquire.
Product Data
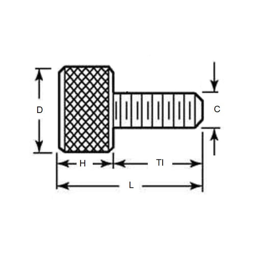
- Thread Size (C) : M6 (6x1mm)
- Thread Length (Tl)
13.00
mm
(Equiv. 0.512 in.) - Overall Length (L)
19.00
mm
(Equiv. 0.748 in.) - Head Diameter (D) 13.00 mm
- Head Height (H) 6.00 mm
- Finish Plain
- Material Stainless Steel
Product Compliance and Data
Additional Resources
- Screws & Nuts Catalogue
- Shoulder Screws Catalogue
- Socket Set (Grub) Screws Catalogue
- Thumb Screws & Thumb Nuts Catalogue
- Thread Size Chart - Combined Imperial & Metric
Cross References
- 92545A183
- AJ657
- AJ-657


