
Miniature Bearings Australia
KM13 - Datasheet
MBA
Category Information
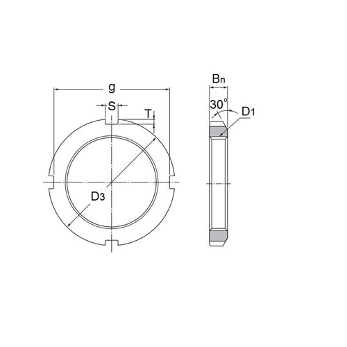
Nuts - Bearing Locknuts - Right Hand Thread - Standard AN-KM SeriesStandard AN-KM Series Right Hand Thread Bearing Locknuts Nuts. This is the main category in this series
Product Data
- Shaft Thread Diameter : M65
- Outside Dia (OD)
85
mm
(Equiv. 3.346 in.) - Thickness (T) min / max
11
mm
(Equiv. 0.433 in.) - Material Steel
Product Compliance and Data
Additional Resources
Cross References
- NoCor KM-13
- KM13


