
Miniature Bearings Australia
SHX-TP-0500-08-100-MZ - Datasheet
MBA
Product Data
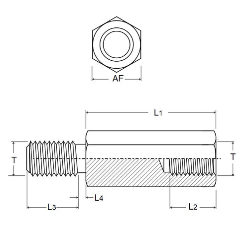
- Thread Size : M5 (5x0.8mm)
- Stud Length (L3)
7.500
mm
(Equiv. 0.295 in.) - Base Length (L1)
100
mm
(Equiv. 3.937 in.) - Across Flats (A/F) 8.00 mm
- Bore Thread Length (L2) 10.00 mm
- Finish Nickel Electroplating
- Material Steel - Mild
Product Compliance and Data
Additional Resources
Cross References
- Misumi C-PLSBWRK8-100
- CPLSBWRK8100



