
Miniature Bearings Australia
SHX-TP-0500-08-050-MZ - Datasheet
MBA
Product Data
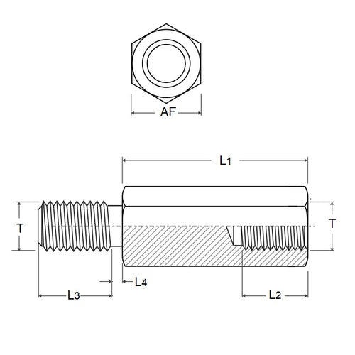
- Thread Size : M5 (5x0.8mm)
- Stud Length (L3)
10.00
mm
(Equiv. 0.394 in.) - Base Length (L1)
40.00
mm
(Equiv. 1.575 in.) - Across Flats (A/F) 8.00 mm
- Bore Thread Length (L2) 10.00 mm
- Unthreaded Length (L4) 1.40 mm
- Radius (R) 0.20 mm
- Finish Electro-Zinc Yellow
- Material Steel - Mild S300 Pb
Product Compliance and Data
Additional Resources
Cross References
- Misumi C-PLSBWRK8-50
- CPLSBWRK850
- MPE5-40
- MPE540


