
Miniature Bearings Australia
THS050M-010-K-3-SHL - Datasheet
MBA
Category Information
Screws - Thumb - ShoulderShoulder Thumb Screws. 303 Stainless Steel
- An expanded range may be available on special order. Please enquire.
Product Data
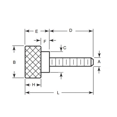
- Thread Size (A) : M5 (5x0.8mm)
- Thread Length (D)
10.00
mm
(Equiv. 0.394 in.) - Overall Length (L)
21.500
mm
(Equiv. 0.846 in.) - Head Diameter (B) 16.00 mm
- Shoulder Diameter (C) 10.00
- Shoulder Length (F) 7.50
- Head Height incl Shoulder (E) 11.50 mm
- Material Stainless Steel 303/304 (Similar to A2, 18-8) HRB80
Product Compliance and Data
Additional Resources
- Screws & Nuts Catalogue
- Shoulder Screws Catalogue
- Socket Set (Grub) Screws Catalogue
- Thumb Screws & Thumb Nuts Catalogue
- Thread Size Chart - Combined Imperial & Metric
Cross References
- Misumi C-NKOS5-10
- Misumi C-NKOSC5-10-16
- CNKOSC51016
- CNKOS510


