
Miniature Bearings Australia
THS040M-008-K-3 - Datasheet
MBA
Category Information
Screws - Thumb - Knurled - Stainless - StandardStandard Stainless Knurled Thumb Screws. Stainless steel knurled head thumb screws
- An expanded range may be available on special order. Please enquire.
Product Data
Deleted Item. Available while stocks last.
Please contact us first if you wish to use this item in a new design so we can check whether production can be resumed.
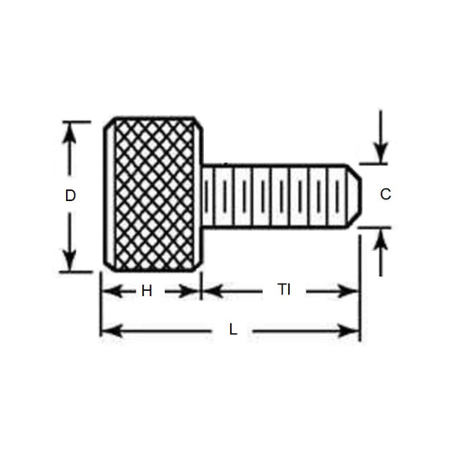
- Thread Size (C) : M4 (4x0.7mm)
- Thread Length (Tl)
8.00
mm
(Equiv. 0.315 in.) - Overall Length (L)
13.50
mm
(Equiv. 0.531 in.) - Head Diameter (D) 16.00 mm
- Head Height (H) 5.50 mm
- Finish Plain
- Material Stainless Steel
Product Compliance and Data
Additional Resources
- Screws & Nuts Catalogue
- Shoulder Screws Catalogue
- Socket Set (Grub) Screws Catalogue
- Thumb Screws & Thumb Nuts Catalogue
- Thread Size Chart - Combined Imperial & Metric
Cross References
- PTS-410
- PTS410


