
Miniature Bearings Australia
THS040M-008-K-Z - Datasheet
MBA
Category Information
Screws - Thumb - Knurled - SteelSteel Knurled Thumb Screws. Steel knurled head thumb screws
- An expanded range may be available on special order. Please enquire.
Product Data
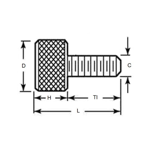
- Thread Size (C) : M4 (4x0.7mm)
- Thread Length (Tl) 
8.00
mm
+/- 0.20
 (Equiv. 0.315 in.)
- Overall Length (L) 
13.00
mm
+ / - 0.40
 (Equiv. 0.512 in.)
- Head Diameter (D) 15.50 mm +/- 0.50
- Head Height (H) 5.00 mm +/- 0.20
- Finish Zinc Plated
- Material Steel Zinc Plated
Product Compliance and Data
Additional Resources
- Screws & Nuts Catalogue
- Shoulder Screws Catalogue
- Socket Set (Grub) Screws Catalogue
- Thumb Screws & Thumb Nuts Catalogue
- Thread Size Chart - Combined Imperial & Metric
 
 
 


