
Miniature Bearings Australia
SHX-TP-0400-07-050-BZ - Datasheet
MBA
Product Data
Deleted Item. Available while stocks last.
Please contact us first if you wish to use this item in a new design so we can check whether production can be resumed.
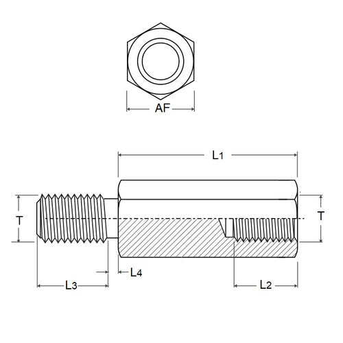
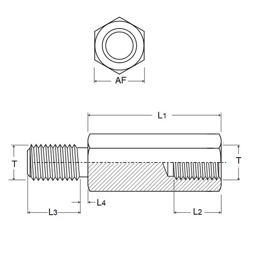
- Thread Size : M4 (4x0.7mm)
- Stud Length (L3)
10.00
mm
(Equiv. 0.394 in.) - Base Length (L1)
40.00
mm
(Equiv. 1.575 in.) - Across Flats (A/F) 7.00 mm
- Bore Thread Length (L2) 10.00 mm
- Unthreaded Length (L4) 1.20 mm
- Radius (R) 0.20 mm
- Finish Electro-Silver Finish
- Material Brass
Product Compliance and Data
Additional Resources
Cross References
- MPB440
- MPB4-40



