
Miniature Bearings Australia
THS040M-010-K-3-SHL - Datasheet
MBA
Category Information
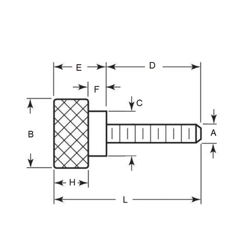
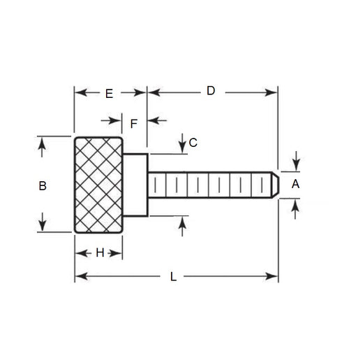
Screws - Thumb - ShoulderShoulder Thumb Screws. 303 Stainless Steel
- An expanded range may be available on special order. Please enquire.
Product Data
- Thread Size (A) : M4 (4x0.7mm)
- Thread Length (D)
10.00
mm
(Equiv. 0.394 in.) - Overall Length (L)
19.500
mm
(Equiv. 0.768 in.) - Head Diameter (B) 12.00 mm
- Shoulder Diameter (C) 8.00
- Shoulder Length (F) 6.00
- Head Height incl Shoulder (E) 9.50 mm
- Material Stainless Steel 303/304 (Similar to A2, 18-8) HRB80
Product Compliance and Data
Additional Resources
- Screws & Nuts Catalogue
- Shoulder Screws Catalogue
- Socket Set (Grub) Screws Catalogue
- Thumb Screws & Thumb Nuts Catalogue
- Thread Size Chart - Combined Imperial & Metric
Cross References
- Misumi C-NKOS4-10
- Misumi C-NKOSC4-10-12
- CNKOSC41012
- CNKOS410


