
Miniature Bearings Australia
SHX-TP-0300-06-018-S3 - Datasheet
MBA
Product Data
Deleted Item. Available while stocks last.
Please contact us first if you wish to use this item in a new design so we can check whether production can be resumed.
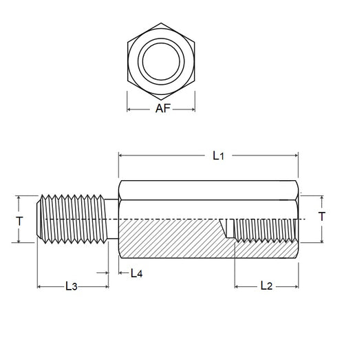
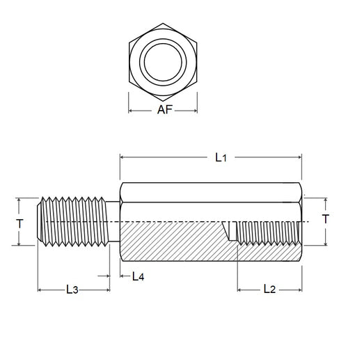
- Thread Size : M3 (3x0.5mm)
- Stud Length (L3)
8.00
mm
(Equiv. 0.315 in.) - Base Length (L1)
10.00
mm
(Equiv. 0.394 in.) - Across Flats (A/F) 5.50 mm
- Bore Thread Length (L2) 5.00 mm
- Finish None
- Material Stainless Steel 303/304 (Similar to A2, 18-8) HRB80
Product Compliance and Data
Additional Resources
Cross References
- MPS3-10
- MPS310


