
Miniature Bearings Australia
SHX-TP-0300-06-021-BZ - Datasheet
MBA
Product Data
Deleted Item. Available while stocks last. Deleted Item. Available while stocks last.
Please contact us first if you wish to use this item in a new design so we can check whether production can be resumed.
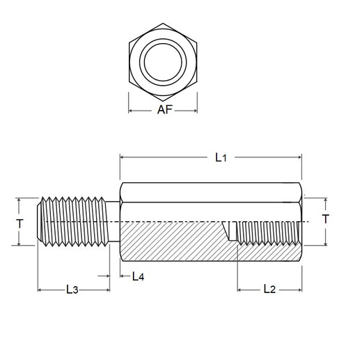
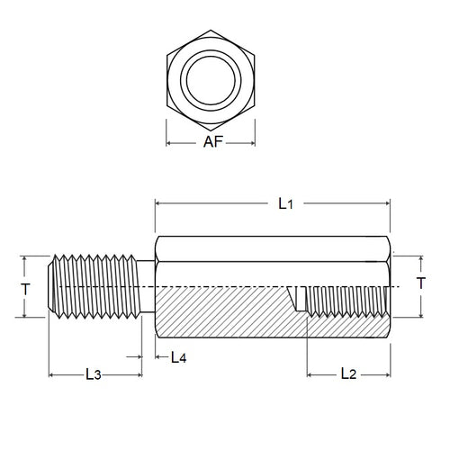
- Thread Size : M3 (3x0.5mm)
- Stud Length (L3)
4.76
mm
(Equiv. 0.187 in.) - Base Length (L1)
16.00
mm
(Equiv. 0.63 in.) - Across Flats (A/F) 6.00 mm
- Bore Thread Length (L2) 6.40 mm
- Finish Chromate Zinc Plated
- Material Brass
Product Compliance and Data
Additional Resources
Cross References
- 93655A106
- RAF1164
- RAF-1164



