
Miniature Bearings Australia
MLM-240M-200-CZRP - Datasheet
MBA
Category Information
Mounts - Levelling Studded - Swivel - Black Chromate - Rubber PaddedRubber Padded Black Chromate Swivel Levelling Studded Mounts. Levelling adjusters. 15o swivel off centreline to adjust to uneven surfaces and level machine tools, electronic racks and benches.
- An expanded range may be available on special order. Please enquire.
Product Data
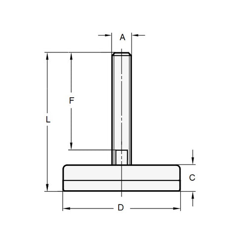
- Thread Size (A) : M24 (24x3mm)
- Base Diameter (D)
80.00
mm
(Equiv. 3.15 in.) - Foot Height (C)
34.00
mm
(Equiv. 1.339 in.) - Thread Length (F) 200.00 mm
- Base Height (E) 17.00 mm
- Overall Height 234.0 mm
- Load Rating 500 Kg
- Finish Zinc Plated
- Pad Material Rubber
- Material Steel
Product Compliance and Data
Additional Resources
Cross References
- Misumi C-CFJFN100-24-200
- Misumi C-CFJFN80-24-200
- Misumi C-CFJFNV100-24-200
- Misumi C-CFJFNV80-24-200
- Misumi C-CFJSN100-24-200
- Misumi C-CFJSN80-24-200
- CCFJFNV10024200
- CCFJFN8024200
- CCFJFN10024200
- CCFJFNV8024200
- CCFJSN10024200
- CCFJSN8024200


