
Miniature Bearings Australia
SS200M-0500-AS - Datasheet
Brighton Best
Category Information
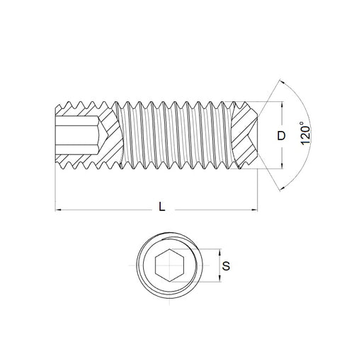
Socket Set Screws - Standard Cup Point - Alloy Steel DIN916Alloy Steel DIN916 Standard Cup Point Socket Set Screws. Standard grub screws. UNC - UNF - BA - METRIC.
- Socket driven grub screw with a standard cup point.
Product Data
- Thread Size : M20 (20x2.5mm)
- Thread Length (L)
50.0
mm
(Equiv. 1.969 in.) - Type Standard Cup Point
- Hex Key Size 10.00
- Pitch 2.500 mm
- Threads Per Inch 10.16 TPI
- Finish Hardened, Black Oxide Coated
- Material Carbon Steel - Hardened GD14.9
Product Compliance and Data
Additional Resources
- Screws & Nuts Catalogue
- Shoulder Screws Catalogue
- Socket Set (Grub) Screws Catalogue
- Thumb Screws & Thumb Nuts Catalogue
- Thread Size Chart - Combined Imperial & Metric
Cross References
- Brighton Best 533290
- 91390A222


