
Miniature Bearings Australia
MEB-20RS - Datasheet
MBA
Category Information
Eye Bolts - Threaded Shank - Shouldered - Carbon Steel - StandardStandard Carbon Steel Shouldered Threaded Shank Eye Bolts. Forged self coloured carbon steel.
- Forged self coloured carbon steel.
- Should not be used for angular lifts greater than 45o. Safety swivel hoist rings are recommended for such applications.
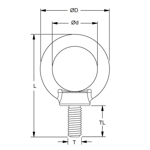
Product Data
- Thread Size : M20 (20x2.5mm)
- Shank Length
30.000
mm
(Equiv. 1.181 in.) - Eye Inside Diameter
40.000
mm
(Equiv. 1.575 in.) - Rated Capacity 1179 Kg
Product Compliance and Data
Additional Resources



