
Miniature Bearings Australia
MLM-200M-100-CZRP - Datasheet
MBA
Category Information
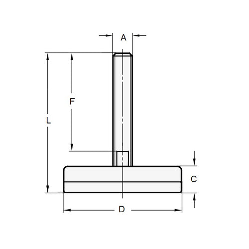
Mounts - Levelling Studded - Swivel - Black Chromate - Rubber PaddedRubber Padded Black Chromate Swivel Levelling Studded Mounts. Levelling adjusters. 15o swivel off centreline to adjust to uneven surfaces and level machine tools, electronic racks and benches.
- An expanded range may be available on special order. Please enquire.
Product Data
- Thread Size (A) : M20 (20x2.5mm)
- Base Diameter (D)
60.00
mm
(Equiv. 2.362 in.) - Foot Height (C)
30.00
mm
(Equiv. 1.181 in.) - Thread Length (F) 100.00 mm
- Base Height (E) 17.00 mm
- Overall Height 130.0 mm
- Load Rating 450 Kg
- Finish Zinc Plated
- Pad Material Rubber
- Hex Flats (B) 30.00 mm
- Material Steel
Product Compliance and Data
Additional Resources
Cross References
- Misumi C-CFJFN20-100
- Misumi C-CFJFN60-20-100
- Misumi C-CFJSN20-100
- CCFJSN20100
- CCFJFN6020100
- CCFJFN20100


