
Miniature Bearings Australia
SHX-TP-0250-05-016-BZ - Datasheet
MBA
Product Data
Deleted Item. Available while stocks last.
Please contact us first if you wish to use this item in a new design so we can check whether production can be resumed.
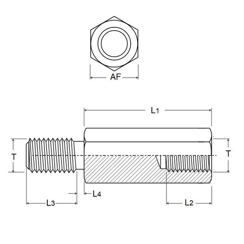
- Thread Size : M2.5 (2.5x0.45mm)
- Stud Length (L3)
6.00
mm
(Equiv. 0.236 in.) - Base Length (L1)
10.00
mm
(Equiv. 0.394 in.) - Across Flats (A/F) 5.00 mm
- Bore Thread Length (L2) 5.00 mm
- Unthreaded Length (L4) 0.80 mm
- Radius (R) 0.10 mm
- Finish Electro-Silver Finish
- Material Brass
Product Compliance and Data
Additional Resources
Cross References
- MPB2.5-10
- MPB2510



