
Miniature Bearings Australia
IN-EP-020M-030-FB - Datasheet
MBA
Category Information
Inserts - Expansion - Press In - Brass - FlangedFlanged Brass Press In Expansion Inserts. Use for cored or drilled holes in plastics. Designed to replace molded in inserts and threads in plastic casings. Also known as threaded inserts.
- Used to create a reusable threaded hole in a material by expanding once it is in place.
- Installed by being pressed into a pre-drilled hole, and a subsequent tightening of a screw or bolt causes it to expand and grip the material's interior, providing a strong, stable connection.
- Common types are for wood, plastic, and masonry, with different designs tailored to the material's properties.
- Material : Brass.
- Easiest inserts to install - simply push into a pre-moulded hole.
- Used with plastics or other materials. Material must be strong enough to withstand the expansion of the insert.
- The insertion of the screw locks the external knurls into the wall of the hole.
- Provides excellent thread durability. Not as strong as wind-in inserts.
Product Data
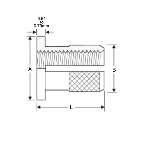
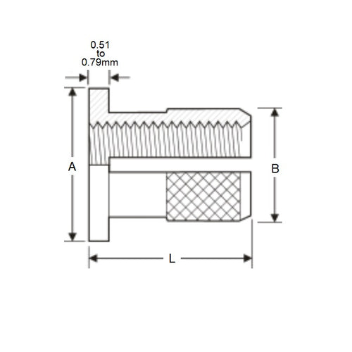
- Internal Thread : M2 (2x0.4mm)
- Rec. Hole Diameter
3.00
mm
(Equiv. 0.118 in.) - Length (L)
3.00
mm
(Equiv. 0.118 in.) - Knurled OD (B) 3.30 mm
- Flange OD (A) 4.0
- Material Brass
Product Compliance and Data
Additional Resources
Cross References
- FB2001


