
Miniature Bearings Australia
KM03 - Datasheet
MBA
Category Information
Nuts - Bearing Locknuts - Right Hand Thread - Standard AN-KM SeriesStandard AN-KM Series Right Hand Thread Bearing Locknuts Nuts. This is the main category in this series
Product Data
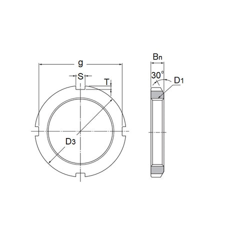
- Shaft Thread Diameter : M17
- Outside Dia (OD)
28
mm
(Equiv. 1.102 in.) - Thickness (T) min / max
5
mm
(Equiv. 0.197 in.) - Material Steel
Product Compliance and Data
Additional Resources
Cross References
- NoCor KM-03
- KM03


