
Miniature Bearings Australia
MLM-160M-120-CZRP - Datasheet
MBA
Category Information
Mounts - Levelling Studded - Swivel - Black Chromate - Rubber PaddedRubber Padded Black Chromate Swivel Levelling Studded Mounts. Levelling adjusters. 15o swivel off centreline to adjust to uneven surfaces and level machine tools, electronic racks and benches.
- An expanded range may be available on special order. Please enquire.
Product Data
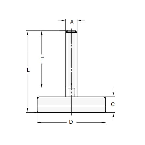
- Thread Size (A) : M16 (16x2mm)
- Base Diameter (D)
80.00
mm
(Equiv. 3.15 in.) - Foot Height (C)
29.00
mm
(Equiv. 1.142 in.) - Thread Length (F) 120.00 mm
- Base Height (E) 17.00 mm
- Overall Height 149.0 mm
- Load Rating 450 Kg
- Finish Zinc Plated
- Pad Material Rubber
- Hex Flats (B) 24.00 mm
- Material Steel
Product Compliance and Data
Additional Resources
Cross References
- Misumi C-CFJFN16-120
- Misumi C-CFJFN60-16-120
- Misumi C-CFJFN80-16-120
- Misumi C-CFJFNV16-120
- Misumi C-CFJFNV80-16-120
- Misumi C-CFJSN80-16-120
- CCFJFN8016120
- CCFJFN6016120
- CCFJFNV8016120
- CCFJFNV16120
- CCFJFN16120
- CCFJSN8016120


