
Miniature Bearings Australia
MLM-160M-100-CZRP - Datasheet
MBA
Category Information
Mounts - Levelling Studded - Swivel - Black Chromate - Rubber PaddedRubber Padded Black Chromate Swivel Levelling Studded Mounts. Levelling adjusters. 15o swivel off centreline to adjust to uneven surfaces and level machine tools, electronic racks and benches.
- An expanded range may be available on special order. Please enquire.
Product Data
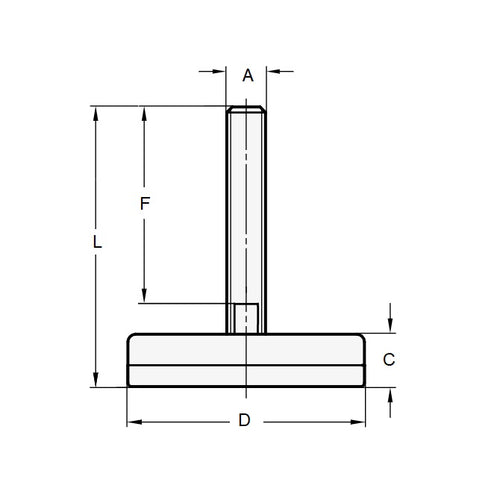
- Thread Size (A) : M16 (16x2mm)
- Base Diameter (D)
60.00
mm
(Equiv. 2.362 in.) - Foot Height (C)
27.00
mm
(Equiv. 1.063 in.) - Thread Length (F) 100.00 mm
- Base Height (E) 17.00 mm
- Overall Height 127.0 mm
- Load Rating 450 Kg
- Finish Zinc Plated
- Pad Material Rubber
- Hex Flats (B) 24.00 mm
- Material Steel
Product Compliance and Data
Additional Resources
Cross References
- Misumi C-CFJFN16-100
- Misumi C-CFJFN60-16-100
- Misumi C-CFJFN80-16-100
- Misumi C-CFJFNV16-100
- Misumi C-CFJFNV80-16-100
- Misumi C-CFJSN16-100
- Misumi C-CFJSN80-16-100
- CCFJFN16100
- CCFJFNV8016100
- CCFJFNV16100
- CCFJFN8016100
- CCFJFN6016100
- CCFJSN8016100
- CCFJSN16100


