
Miniature Bearings Australia
SS160M-0200-C-MAG - Datasheet
MBA
Category Information
Socket Set Screws - Magnetic EndMagnetic End Socket Set Screws. Magnetic End grub screws
- Socket driven grub screws with a magnetic tip.
Product Data
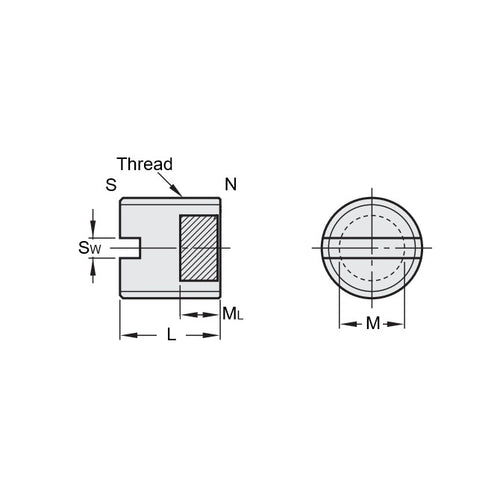
- Thread Size : M16 (16x2mm)
- Thread Length (L)
20.00
mm
(Equiv. 0.787 in.) - Type Magnetic Tipped
- Magnet Size (M) 10 x 8 mm
- Hex Key Size 8.00
- Magnet Material Neodymium Iron Boron
- Drive Type Socket
- Finish Nickel Plated
- Material Carbon Steel
Product Compliance and Data
Additional Resources
- Screws & Nuts Catalogue
- Shoulder Screws Catalogue
- Socket Set (Grub) Screws Catalogue
- Thumb Screws & Thumb Nuts Catalogue
- Thread Size Chart - Combined Imperial & Metric
Cross References
- HXB1620


