
Miniature Bearings Australia
KM28 - Datasheet
MBA
Category Information
Nuts - Bearing Locknuts - Right Hand Thread - Standard AN-KM SeriesStandard AN-KM Series Right Hand Thread Bearing Locknuts Nuts. This is the main category in this series
Product Data
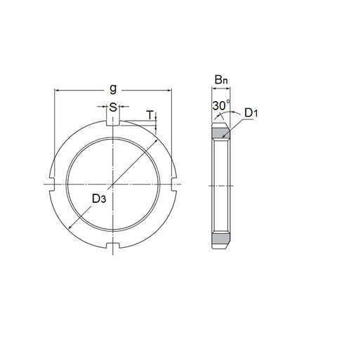
- Shaft Thread Diameter : M140x2
- Outside Dia (OD)
180
mm
(Equiv. 7.087 in.) - Thickness (T) min / max
22.000
mm
(Equiv. 0.866 in.) - Slot Width (s) 14.000
- Slot Depth (T) 6.000
- Material Steel
Product Compliance and Data
Additional Resources
Cross References
- NoCor KM-28
- KM28


