
Miniature Bearings Australia
SS120M-0160-CZ - Datasheet
Brighton Best
Category Information
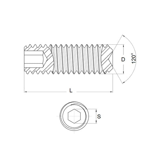
Socket Set Screws - Standard Cup Point - Zinc Plated DIN916Zinc Plated DIN916 Standard Cup Point Socket Set Screws. Standard grub screws. UNC - UNF - BA - METRIC.
- Socket driven grub screw with a standard cup point.
 
Product Data
- Thread Size : M12 (12x1.75mm)
 - Thread Length (L) 
16.0
mm
(Equiv. 0.63 in.) - Type Standard Cup Point
 - Hex Key Size 6.00 mm
 - Pitch 1.750 mm
 - Threads Per Inch 14.51 TPI
 - Finish Zinc Plated
 - Material Carbon Steel
 
Product Compliance and Data
Additional Resources
- Screws & Nuts Catalogue
 - Shoulder Screws Catalogue
 - Socket Set (Grub) Screws Catalogue
 - Thumb Screws & Thumb Nuts Catalogue
 - Thread Size Chart - Combined Imperial & Metric
 
Cross References
- Brighton Best 877190
 


