
Miniature Bearings Australia
MEB-12RS - Datasheet
MBA
Category Information
Eye Bolts - Threaded Shank - Shouldered - Carbon Steel - StandardStandard Carbon Steel Shouldered Threaded Shank Eye Bolts. Forged self coloured carbon steel.
- Forged self coloured carbon steel.
- Should not be used for angular lifts greater than 45o. Safety swivel hoist rings are recommended for such applications.
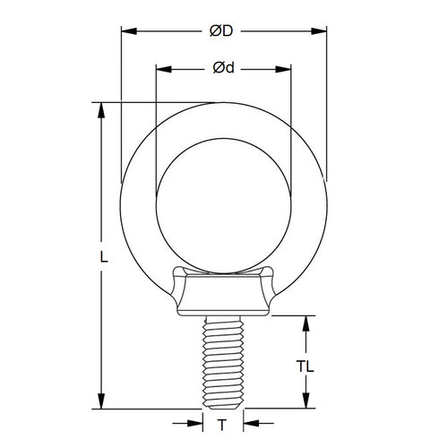
Product Data
- Thread Size : M12 (12x1.75mm)
- Shank Length
20.500
mm
(Equiv. 0.807 in.) - Eye Inside Diameter
30.000
mm
(Equiv. 1.181 in.) - Rated Capacity 327 Kg
Product Compliance and Data
Additional Resources



