
Miniature Bearings Australia
WEB-3RS - Datasheet
MBA
Category Information
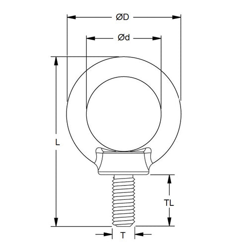
Eye Bolts - Threaded Shank - Shouldered - Carbon Steel - Zinc PlatedZinc Plated Carbon Steel Shouldered Threaded Shank Eye Bolts. Forged zinc plated carbon steel.
- Zinc plated carbon steel.
- Should not be used for angular lifts greater than 45o. Safety swivel hoist rings are recommended for such applications.
Product Data
- Thread Size : M12 (12x1.75mm)
- Shank Length
20.500
mm
(Equiv. 0.807 in.) - Eye Inside Diameter
30.000
mm
(Equiv. 1.181 in.) - Rated Capacity 347 Kg
Product Compliance and Data
Additional Resources
Cross References
- 3170T44



