
Miniature Bearings Australia
KM25 - Datasheet
MBA
Category Information
Nuts - Bearing Locknuts - Right Hand Thread - Standard AN-KM SeriesStandard AN-KM Series Right Hand Thread Bearing Locknuts Nuts. This is the main category in this series
Product Data
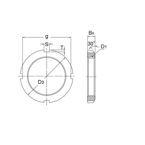
- Shaft Thread Diameter : M125x2
- Outside Dia (OD)
160
mm
(Equiv. 6.299 in.) - Thickness (T) min / max
21.000
mm
(Equiv. 0.827 in.) - Slot Width (s) 12.000
- Slot Depth (T) 5.000
- Material Steel
Product Compliance and Data
Additional Resources
Cross References
- NoCor KM-25
- KM25


