
Miniature Bearings Australia
KM120M-080-7L25 - Datasheet
MBA
Category Information
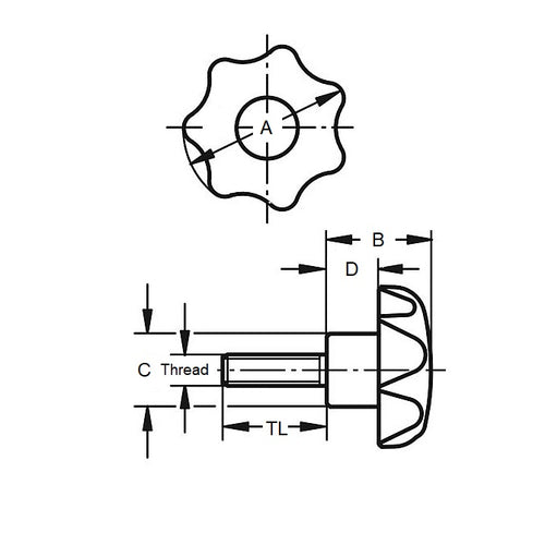
Knobs - Lobe - Seven Lobe - Male - StandardStandard Male Seven Lobe Lobe Knobs. Also see star knobs
- An expanded range may be available on special order. Please enquire.
Product Data
- Thread Size : M12 (12x1.75mm)
- Head Diameter (A) 
80
mm
 (Equiv. 3.15 in.)
- Thread Length 
25
mm
 (Equiv. 0.984 in.)
- Colour Black
- Hub Diameter (C) 36.00 mm
- Hub Length (D) 24.000 mm
- Knob Height (B) 50.50 mm
- Material Brass
Product Compliance and Data
Additional Resources
Cross References
- Misumi C-NQJM12-25
- CNQJM1225
 
 
 


