
Miniature Bearings Australia
KM01 - Datasheet
MBA
Category Information
Nuts - Bearing Locknuts - Right Hand Thread - Standard AN-KM SeriesStandard AN-KM Series Right Hand Thread Bearing Locknuts Nuts. This is the main category in this series
Product Data
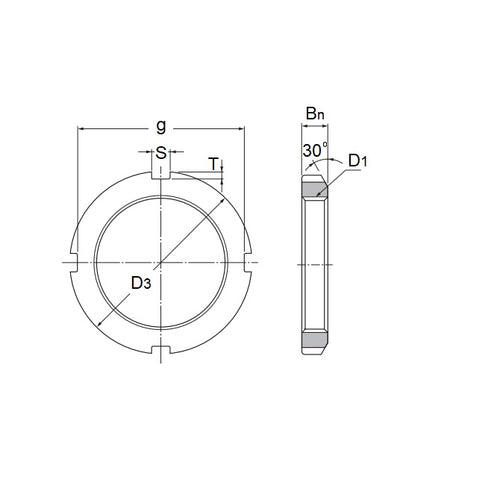
- Shaft Thread Diameter : M12 (12x1.75mm)
- Outside Dia (OD)
22
mm
(Equiv. 0.866 in.) - Thickness (T) min / max
4
mm
(Equiv. 0.157 in.) - Material Steel
Product Compliance and Data
Additional Resources
Cross References
- NoCor KM-01
- KM01


