
Miniature Bearings Australia
KM22 - Datasheet
MBA
Category Information
Nuts - Bearing Locknuts - Right Hand Thread - Standard AN-KM SeriesStandard AN-KM Series Right Hand Thread Bearing Locknuts Nuts. This is the main category in this series
Product Data
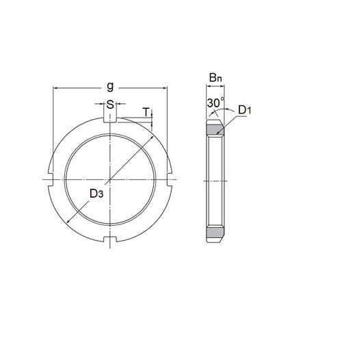
- Shaft Thread Diameter : M110x2
- Outside Dia (OD)
145
mm
(Equiv. 5.709 in.) - Thickness (T) min / max
19.000
mm
(Equiv. 0.748 in.) - Slot Width (s) 12.000
- Slot Depth (T) 5.000
- Material Steel
Product Compliance and Data
Additional Resources
Cross References
- NoCor KM-22
- KM22


