
Miniature Bearings Australia
KF100M-032-TTPL-TT - Datasheet
MBA
Category Information
Knobs - Ball - Female Threaded - ThermoplasticThermoplastic Female Threaded Ball Knobs. With moulded plastic threads, or metalic threaded inserts - brass or steel
- An expanded range may be available on special order. Please enquire.
Product Data
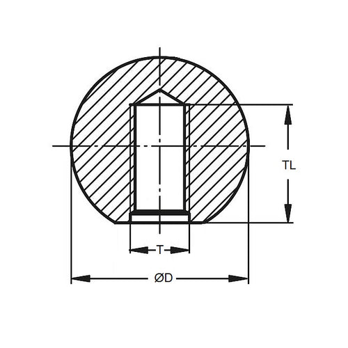
- Thread or Hole Size : M10 (10x1.5mm)
- Diameter
32.00
mm
(Equiv. 1.26 in.) - Thread Depth
14.5
mm
(Equiv. 0.571 in.) - Thread Type Tapped Plastic
- Material Thermoplastic
Product Compliance and Data
Additional Resources
Cross References
- KPB1216
- KPB-1216



