
Miniature Bearings Australia
THS100M-025-K-3-SHL - Datasheet
MBA
Category Information
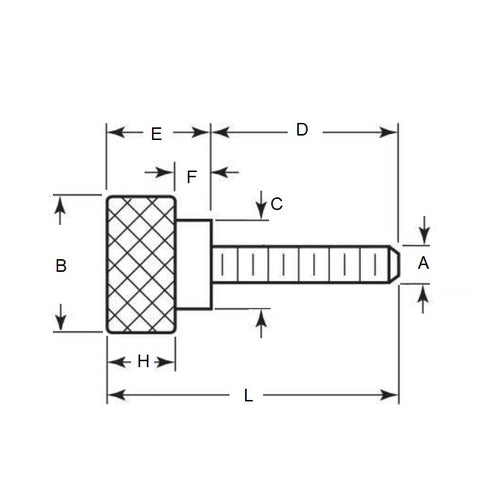
Screws - Thumb - ShoulderShoulder Thumb Screws. 303 Stainless Steel
- An expanded range may be available on special order. Please enquire.
Product Data
- Thread Size (A) : M10 (10x1.5mm)
- Thread Length (D)
25.00
mm
(Equiv. 0.984 in.) - Overall Length (L)
48.000
mm
(Equiv. 1.89 in.) - Head Diameter (B) 36.00 mm
- Head Height incl Shoulder (E) 23.00 mm
- Material Stainless Steel 303/304 (Similar to A2, 18-8) HRB80
Product Compliance and Data
Additional Resources
- Screws & Nuts Catalogue
- Shoulder Screws Catalogue
- Socket Set (Grub) Screws Catalogue
- Thumb Screws & Thumb Nuts Catalogue
- Thread Size Chart - Combined Imperial & Metric
Cross References
- Misumi C-NKOS10-25
- CNKOS1025


