
Miniature Bearings Australia
LCB-0120-021-025-W - Datasheet
MBA
Category Information
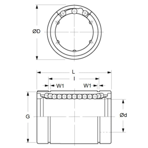
Linear - Ball Bearings - Standard Closed - Chrome SteelChrome Steel Standard Closed Ball Bearings Linear. Standard closed type to run on standard 60HRC shafts with h6 tolerances
- Use with hardened precision ground shafting.
 - Shaft tolerance: h6 (Normal Fit), j6 (Close Fit).
 - Housing Tolerance: H7 (Clearance Fit), J7 (Interference Fit).
 - Max Temp: 100 oC Intermittent, 80 Deg C continuous.
 
Product Data
- Nominal Shaft Size (T) 
:
12.000
mm
(Equiv. 0.472 in.) - Nom. Outer Diameter (D) 
21.00
mm
(Equiv. 0.827 in.) - Length ( L / l ) 
25.000
mm
(Equiv. 0.984 in.) - Dynamic Load 317.00 N
 - Static Load 407.00 N
 - Wiper Configuration Sealed
 - None
 - Material SUJ2 Steel with Plastic Retainer
 
Product Compliance and Data
Additional Resources
- Catalogue: Ceramic Bearings Catalogue
 - Catalogue: Plastic Bearings Catalogue
 - Catalogue: Standard Bearings Catalogue
 - General: Bearing Cleanliness
 - General: Bearing Clearances
 - General: Bearing Flanges & Snap Rings
 - General: Bearing Retainers (Cages)
 - General: General Loads Information
 - General: Lubrication
 - General: Prefix & Suffix Guide
 - General: Static vs Dynamic Loads
 - Materials: 316 Stainless
 - Materials: CASSTOP Anti-Corrosion Bearing Material
 - Materials: Ceramic vs Ceramic Hybrid
 - Materials: Ceramic Bearings in Vibratory Applications
 - Materials: Ceramic Hybrid Bearings in Vibratory Applications
 - Materials: General Bearing Materials
 - Materials: Magnetism & Bearings
 - Precision: 316 Stainless & Plastic Bearing Tolerances
 - Precision: ABEC Basic Information
 - Precision: Precision Bearing Tolerances
 - Problem Solving: Bearing Failure
 - Problem Solving: Fatigue (L10 Life)
 - Problem Solving: Noise
 
Cross References
- ELB12TUU
 


